Lámina Rectangular Esmaltada
Lámina de acero aluminizada esmaltada con perfil rectangular (acanalado de configuración trapezoidal) conformado en una roladora. Fácilmente estibable y traslapable. Usado en cubiertas y fachadas de construcciones.
Ventajas
Presentación
Uso y aplicaciones
Propiedades
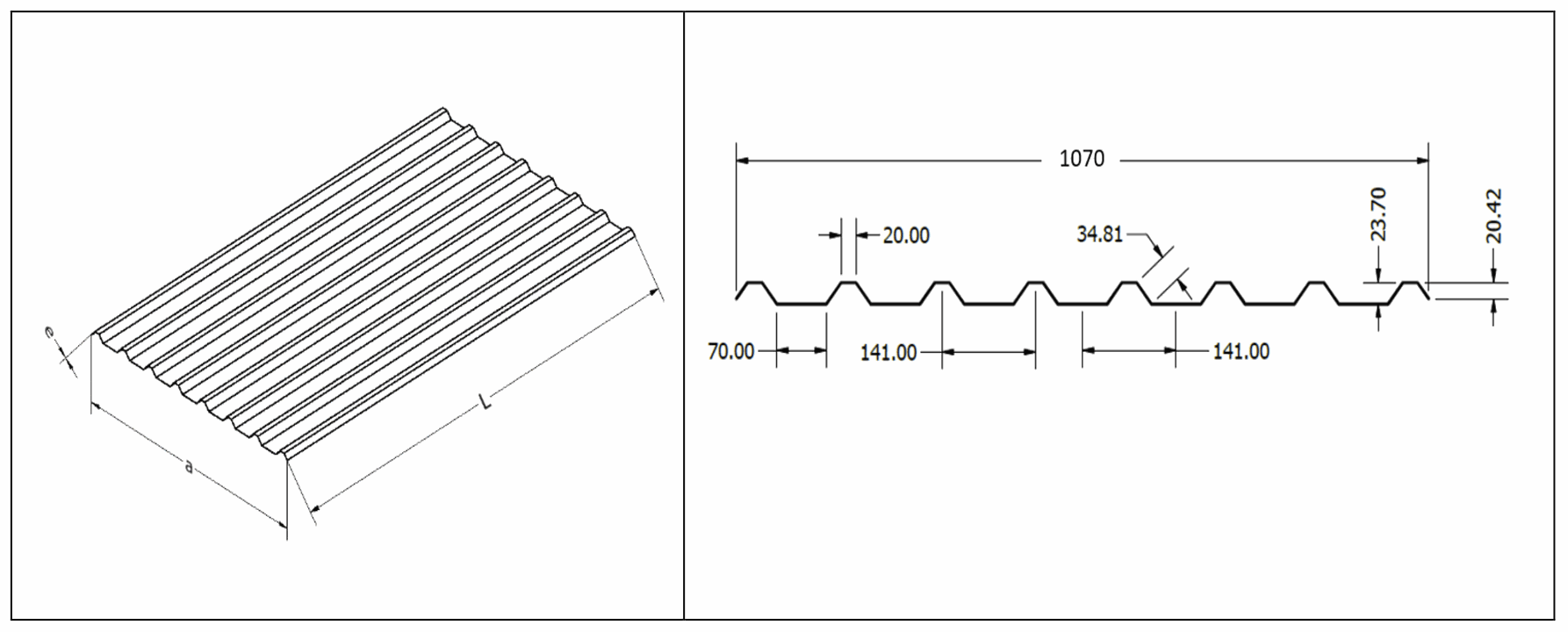
Detalle
Ventajas
- Alta capacidad de carga debido al diseño.
- Apariencia atractiva y durable.
- Protección contra la corrosión, gracias a su recubrimiento.
- Facilidad constructiva.
Presentación
- Acero estructural (Full hard).
- Acabado: Aluminizado (55% de Aluminio + 45% de Zinc) con esmalte en colores blanco, rojo y verde.
- Pendiente mínima recomendada 15%, longitud máxima de vertiente recomendada 12.00 m.
- Traslape transversal mínimo recomendado 0.20 m (7.9).
- Se recomienda instalar la aleta corta de la lámina por encima para así dejar la aleta larga por debajo; esto con el fin
- de evitar las filtraciones.
Uso y aplicaciones
- Cubierta en general de uso residencial.
- Cerramientos temporales de obras de construcción.
- Diseños en fachadas y otras partes.
Propiedades
- INTE C418 (ASTM A792/A792M): Lámina de acero recubierta con aleación 55% aluminio- zinc, mediante inmersión en caliente.
- JIS G3321: Bobina de acero galvalume, mediante inmersión en caliente
- INTE C417: Aceros para la construcción. Láminas y accesorios de acero al carbono o aleado, con recubrimiento de aleación 55% Aluminio con Zinc, para cubiertas y cerramientos.
- INTE C406 (ASTM A755): Láminas de acero con recubrimiento metálico por inmersión en caliente, pre-pintadas en proceso continuo, para uso a la intemperie
Detalle
- CALIBRE DISPONIBLE 26, espesor 0.40 mm. 28, espesor 0.32 mm.
- TAMAÑOS 1.05X1.83 1.05X2.44 1.05X3.05 1.05X3.66 medidas en metros.
